David,
OK. I suspect, though, you do have a problem with your turn signal switch. To summarize, you say in this thread:
- LED lights bulbs don't work in all old cars. They don't work in my 58 fury. They light up ok but the turn signals are all screwed up.
- I changed the flasher too. When i turn the turn signal to one side all 4 come on and flash.
- No change in wiring there is only one turn signal indecater
From (3), I take it you mean it works when you flip the turn signal one way, but not the other?
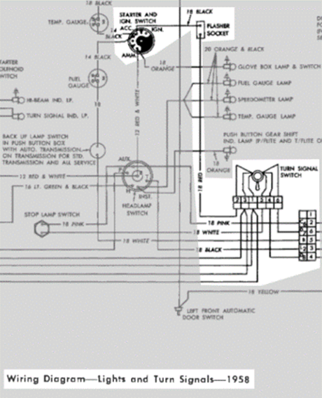
Just to point out, (1) and (2) are not related issues. Here’s a snippet from the 1958 Plymouth wiring diagram where I’ve highlighted the turn signal circuit:

Power is derived from the ignition switch, which supplies the flasher – which supplies power to the turn signal switch, which distributes either to the left or the right bulbs (both front and back. The behavior of the taillights is modified by the actuation of the brake pedal, but that’s a different topic). But it does not distribute to both sets of bulbs. Unless, wires are crossed; but you say there is no change in wiring.
Then it can only be that your turn signal switch is supplying current from the flasher to *both* sides, when it should only be supplying it to the right (or, left; you didn’t say which). And I’m guessing you meant to say, that the switch behaves correctly in the other position.
But in any event, substituting LEDs for incandescents is not responsible for the behavior you are observing.